Szukam znawców programów do grafiki.
Moderatorzy: przynenta, krisaczek
- CraNcH^MS
- entuzjasta

- Posty: 617
- Rejestracja: 21 kwie 2006, 12:00
- Imie i Nazwisko: Michał Stafarczyk
- Lokalizacja: Rybnik
Szukam znawców programów do grafiki.
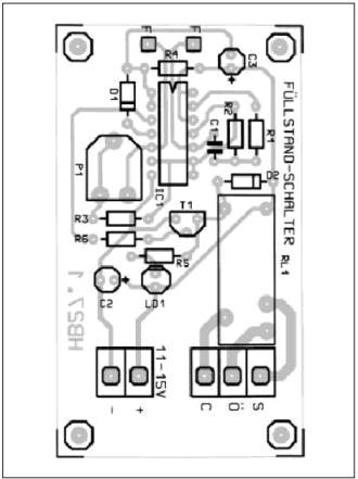
Szukam kogoś kto z rysunku (jest to płytka drukowana z znaniesionymi elementami) wytnie naniesione elementy tak by można to wydrukować na laserze i zrobić płytkę metodą na żelazko.
Bawiłem się bardzo mało programami do grafiki i musiałbym wiele godzin poświęcić na to co ktoś zrobi w 5 minut. Chętnych do pomocy zapraszam na PRIV.
Bawiłem się bardzo mało programami do grafiki i musiałbym wiele godzin poświęcić na to co ktoś zrobi w 5 minut. Chętnych do pomocy zapraszam na PRIV.
-
TURYSTA
- entuzjasta

- Posty: 1887
- Rejestracja: 18 cze 2007, 18:57
- Imie i Nazwisko: Jaś i Małgosia
- Miejsce zamieszkania/miasto/: Alternatyw 4
- Lokalizacja: Trzebinia
hmm chodzi o etykiety na CD czy dvd ?
Jeśli tak to w Corelu jest prosta opcja kreator etykiet wybierasz cd nanosisz co ma być i na specjalnym papierze np zweckform o swoim nr (pod ta są gotowe szablony) i drukujesz i naklejasz prosto na CD .
W nero też jest kreator etykiet ,w wordzie ,open office itd
Jeśli tak to w Corelu jest prosta opcja kreator etykiet wybierasz cd nanosisz co ma być i na specjalnym papierze np zweckform o swoim nr (pod ta są gotowe szablony) i drukujesz i naklejasz prosto na CD .
W nero też jest kreator etykiet ,w wordzie ,open office itd
-
TURYSTA
- entuzjasta

- Posty: 1887
- Rejestracja: 18 cze 2007, 18:57
- Imie i Nazwisko: Jaś i Małgosia
- Miejsce zamieszkania/miasto/: Alternatyw 4
- Lokalizacja: Trzebinia
www.skalar.pc-net.pl tam widziałem soft do tego typu zadań
Na tym sie nie znam
Na tym sie nie znam
- stanpiter
- członek PKMD
- Posty: 3299
- Rejestracja: 13 sty 2005, 12:38
- Imie i Nazwisko: Piotr Stanaszek
- Lokalizacja: Maków Podhalański
Słyszysz że dzwoni tylko nie wiesz w którym kościele. Program, o którym piszesz (Eagle w wersji 4.11 ) jest do tego owszem, lecz plik musi mieć odpowiednie rozszerzenie, z jpg tego nie zrobiszTURYSTA pisze:www.skalar.pc-net.pl tam widziałem soft do tego typu zadań
-
TURYSTA
- entuzjasta

- Posty: 1887
- Rejestracja: 18 cze 2007, 18:57
- Imie i Nazwisko: Jaś i Małgosia
- Miejsce zamieszkania/miasto/: Alternatyw 4
- Lokalizacja: Trzebinia
A to fakt z rozszerzeniem panie technik standpiter 
Ale jpg można przerobić
Ale jpg można przerobić
Ostatnio zmieniony 24 maja 2008, 09:46 przez TURYSTA, łącznie zmieniany 1 raz.
-
TURYSTA
- entuzjasta

- Posty: 1887
- Rejestracja: 18 cze 2007, 18:57
- Imie i Nazwisko: Jaś i Małgosia
- Miejsce zamieszkania/miasto/: Alternatyw 4
- Lokalizacja: Trzebinia
a to znalazłem na stronie źródło ->http://www.prototypy.com/graficzne.htm
Proces przekształcenia plików graficznych na format produkcyjny
Jeśli plik jest w dobrej jakości, czarno-biały, to wykonywane są następujące czynności:
- konwersja do formatu wektorowego,
- skalowanie,
- szacowanie wielkości otworów,
- ręczne umieszczanie otworów w odpowiednich miejscach płytki - tworzenie pliku wierceń.
Jeśli plik jest w złej jakości, nie jest czarno biały lub jest zapisany w stratnym formacie (np. JPG) wykonywane są następujące czynności:
- kadrowanie (jeśli plik zawiera nie tylko wykonywane warstwy) i obrót (widok przekrzywiony),
- ustawienie odpowiednich poziomów barw,
- konwersja kolorów do zapisu indeksowanego monochromatycznego,
- ręczne poprawki nierówności, oczyszczanie ze zbędnych 'zabrudzeń',
- konwersja do formatu wektorowego,
- skalowanie,
- szacowanie wielkości otworów,
- ręczne umieszczanie otworów w odpowiednich miejscach płytki - tworzenie pliku wierceń.
Odwzorowanie ścieżek będzie adekwatne do jakości przesłanej dokumentacji. Jeśli dostarczone pliki są w niskiej rozdzielczości (mniej niż 1200DPI) możliwe jest, że krawędzie mozaiki będą 'poszarpane'.
Proces przekształcenia plików graficznych na format produkcyjny
Jeśli plik jest w dobrej jakości, czarno-biały, to wykonywane są następujące czynności:
- konwersja do formatu wektorowego,
- skalowanie,
- szacowanie wielkości otworów,
- ręczne umieszczanie otworów w odpowiednich miejscach płytki - tworzenie pliku wierceń.
Jeśli plik jest w złej jakości, nie jest czarno biały lub jest zapisany w stratnym formacie (np. JPG) wykonywane są następujące czynności:
- kadrowanie (jeśli plik zawiera nie tylko wykonywane warstwy) i obrót (widok przekrzywiony),
- ustawienie odpowiednich poziomów barw,
- konwersja kolorów do zapisu indeksowanego monochromatycznego,
- ręczne poprawki nierówności, oczyszczanie ze zbędnych 'zabrudzeń',
- konwersja do formatu wektorowego,
- skalowanie,
- szacowanie wielkości otworów,
- ręczne umieszczanie otworów w odpowiednich miejscach płytki - tworzenie pliku wierceń.
Odwzorowanie ścieżek będzie adekwatne do jakości przesłanej dokumentacji. Jeśli dostarczone pliki są w niskiej rozdzielczości (mniej niż 1200DPI) możliwe jest, że krawędzie mozaiki będą 'poszarpane'.
-
TURYSTA
- entuzjasta

- Posty: 1887
- Rejestracja: 18 cze 2007, 18:57
- Imie i Nazwisko: Jaś i Małgosia
- Miejsce zamieszkania/miasto/: Alternatyw 4
- Lokalizacja: Trzebinia
a tu co i jak wraz z instrukcja
http://www.prototypy.com/gerber.htm
http://www.prototypy.com/gerber.htm
Kto jest online
Użytkownicy przeglądający to forum: Obecnie na forum nie ma żadnego zarejestrowanego użytkownika i 13 gości